Featured Post

High CMRR Instrumentation Amplifier (Schematic and Layout) design for biomedical applications

Instrumentation amplifiers are intended to be used whenever acquisition of a useful signal is difficult. IA’s must have extremely high input impedances because source impedances may be high and/or unbalanced. bias and offset currents are low and relatively stable so that the source impedance need not be constant. Balanced differential inputs are provided so that the signal source may be referenced to any reasonable level independent of the IA output load reference. Common mode rejection, a measure of input balance, is very high so that noise pickup and ground drops, characteristic of remote sensor applications, are minimized.Care is taken to provide high, well characterized stability of critical parameters under varying conditions, such as changing temperatures and supply voltages. Finally, all components that are critical to the performance of the IA are internal to the device. The precision of an IA is provided at the expense of flexibility. By committing to the one specific task of ...

Build a Precision Top to Top ac-dc Converter Circuit Diagram

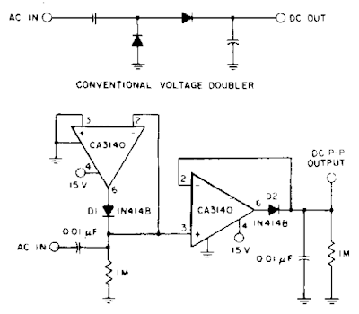
Build a Precision Top to Top ac-dc Converter Circuit Diagram. Using a CA3140 BiMOS op amp and a single positive supply converts a conventional voltage doubler with two precision diodes into a precision peak-to-peak ac-to-dc voltage converter having wide dynamic range and wide bandwidth. This is the circuit. 

Precision Top to Top ac-dc Converter Circuit Diagram

Precision Top to Top ac-dc Converter Circuit Diagram

Comments